пн-пт: с 9:00 до 18:00
Чебоксары
Ваш регион - Чебоксары?

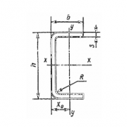
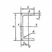
Швеллер 6,5

Сортировать:

По названию
По названию По возрастанию цены По убыванию цены
Изображение Номенклатура Марка стали Длина ГОСТы Цена Количество т.
3сп/пс5
12 м
8240
67000 pуб. /тонна
-
+
3сп/пс5
6 м
8240
66500 pуб. /тонна
-
+
3сп/пс5
12 м
8240
54800 pуб. /тонна
-
+
3сп/пс5.
6 м
8240
54800 pуб. /тонна
-
+

Рассчитайте свой заказ

* - обязательные для заполнения поля

© ООО «ТД «МегаСталь», 2014–2026

WebCanape - создание сайтов, контекстная реклама и продвижение

Мы в соцсетях:
Адрес: г. Москва, ул. Барклая, 6с5
8 800 200 01 82